Nicht nur der Bedarf an speziellen Teilen für den Rennsport, sondern vielmehr einfach der Mangel an Verfügbarkeit eines Originalersatzeils, hat bei uns zu einem stetig wachsenden Programm der eigenen Herstellung von Ersatzteilen geführt.
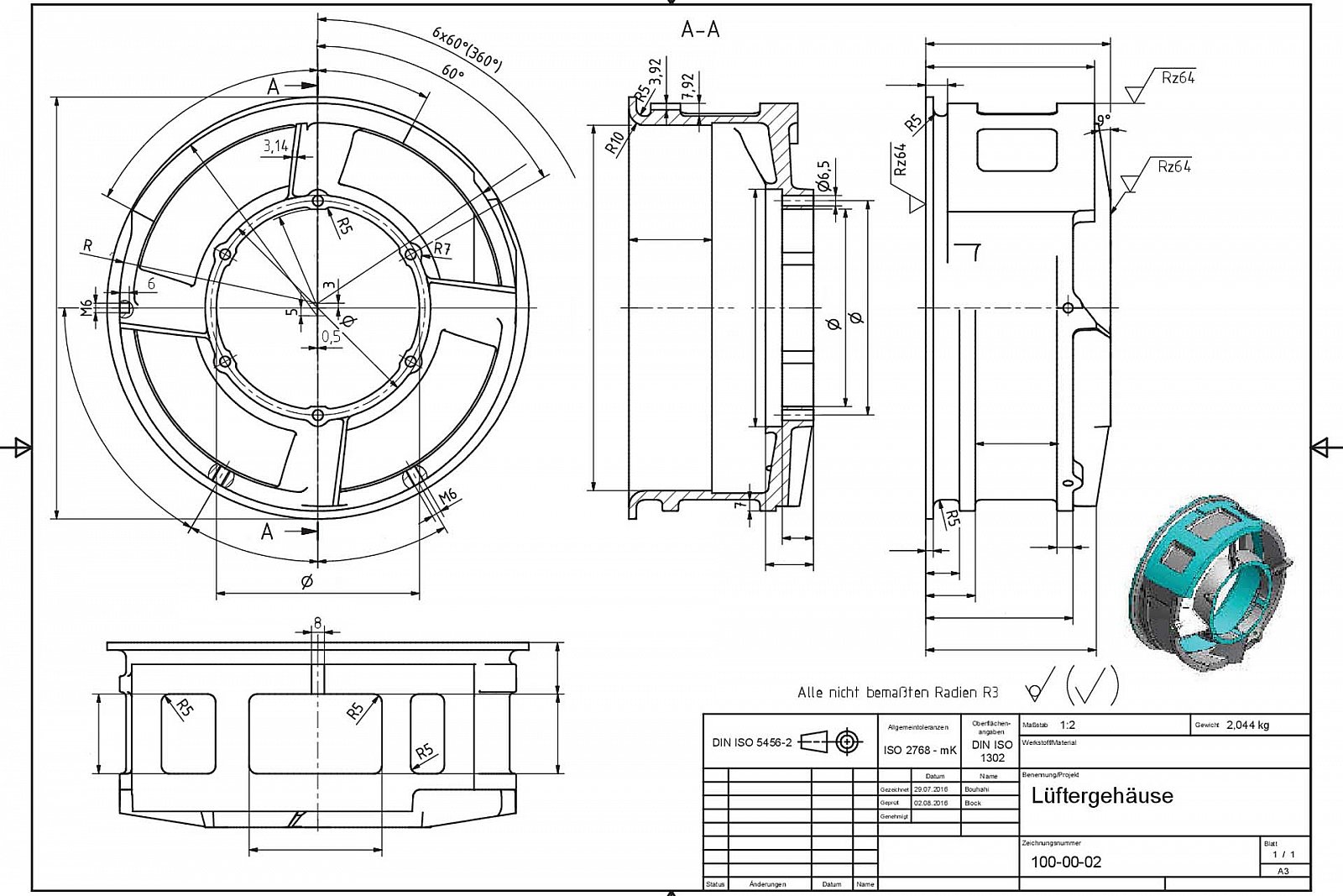
Hierzu gehören Ersatzteile aus den verschiedensten Baugruppen eines Porsche, die neben der Konstruktion, des Modellbaus, des Werkzeugbaus, des Vorrichtungsbaus, der Herstellung und der Bearbeitung bei uns erhältlich sind.
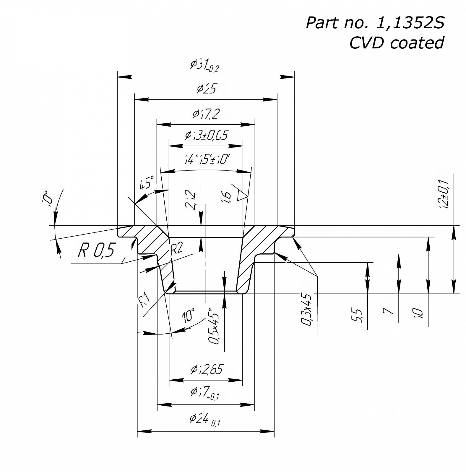
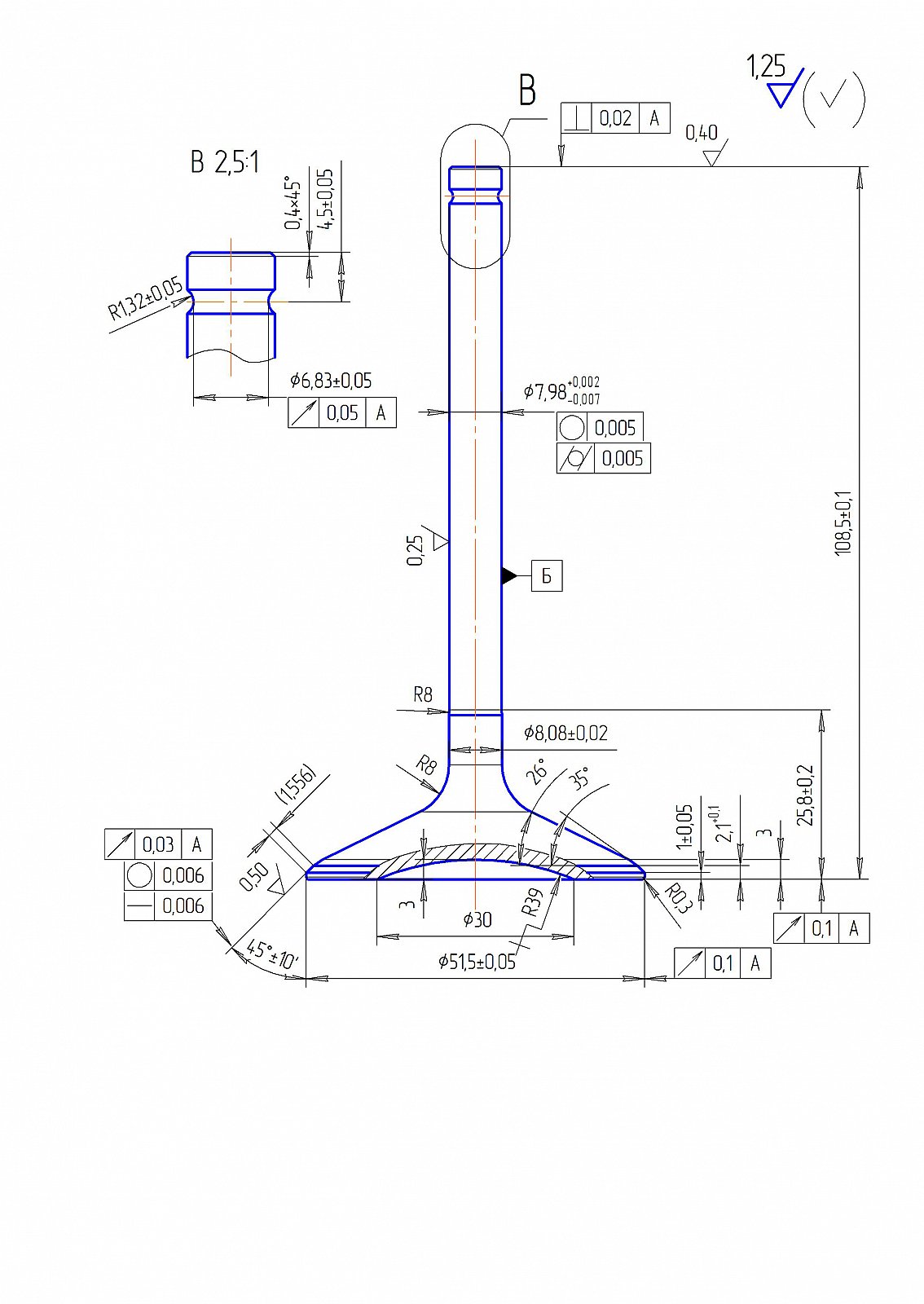
Durch unsere langjährige Rennsporterfahrung kann hier auf eine Qualität zurückgegriffen werden, die unter härtesten Bedingungen erprobt wurde.
Von der Silberstahl Schaltstange eines 718er Formel Rennwagens aus den 60ern, über Spritzgussteile der Heizungsbetätigung eines 928 bis zu hartgefrästen 5-Achs-CNC bearbeiteten Teilen aus dem Inneren eines Vorderachsdifferentials eines 993 Carrera 4, werden wir bestimmt die Lösung für Ihren Ersatzteilbedarf finden.
Sollten Sie Interesse an einem bestimmten Produkt haben, lassen Sie sich beraten.
